9 Fotos und Anhänge ansehen
MIG Maiß Immobilien Gesellschaft mbH
Oesterleystr. 4, 30171 Hannover
Jeramy Abel
Teilen

Titlebild

Titlebild

Titlebild

Titlebild

Titlebild

Titlebild

Titlebild

Titlebild

Titlebild

Für die ganze Familie! 4-Zimmer Wohnung mit großem Balkon in Lehrte

Eckdaten

  • Art Etagenwohnung
  • Lage 31275 Lehrte
  • Miete zzgl. NK 1.000,00
  • Nebenkosten 160,00
  • Wohnfläche ca. 103
  • Zimmer 4
  • Kellerfläche ca. 6
  • Baujahr 1950
  • Etagenzahl 2
  • Etage 2
  • Denkmalschutzobjekt nein
  • Heizungsart Etagenheizung
  • Einbauküche ja
  • Anzahl Balkone 1
  • Kaution 3000 €
  • Haustiere erlaubt nein
  • Verfügbar ab 01.02.2026
  • Bodenbelag Fliesen Laminat
  • Ausstattung des Bades Badewanne Dusche
  • Zustand Modernisiert
  • Immobilien-ID 132055424

Immobilie

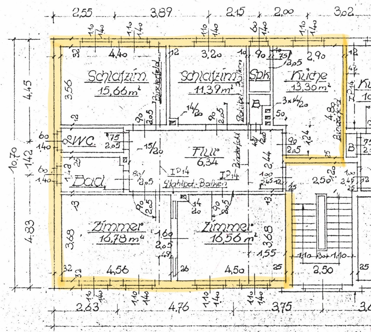
Diese einladende 4-Zimmerwohnung befindet sich in einem gepflegten Mehrfamilienhaus aus dem Jahr 1950 und bietet Ihnen auf großzügigen 103,38 m² ein gemütliches Wohnambiente.

Ein Highlight der Wohnung ist das Tageslichtbadezimmer, das sowohl mit einer komfortablen Badewanne als auch einer Dusche ausgestattet ist. Die durchdachte Raumaufteilung sorgt dafür, dass alle Zimmer direkt vom Flur aus zugänglich sind, was für eine angenehme Wohnatmosphäre sorgt.

Die Wohnung befindet sich im zweiten Obergeschoss und umfasst insgesamt vier helle Zimmer, ein modernes Badezimmer und eine praktische Küche.

Ein besonderes Merkmal ist der überdachte Balkon, der 2019 nachträglich aufgeständert wurde. Er ist über die Küche erreichbar und lädt dazu ein, die frische Luft und die Aussicht zu genießen – ideal für entspannte Stunden im Freien.

Das Ess-, Wohn- und Schlafzimmer ist mit hochwertigem Laminatfußboden ausgelegt. In der Küche, dem Badezimmer sowie im Flur wurden weiße Fliesen verlegt.

Lage

Lehrte ist eine Stadt mit rund 44.000 Einwohnern und liegt in der Region Hannover in Niedersachsen. Die Stadt bietet eine gute Infrastruktur, Schulen, Kindergärten, ärztliche Versorgung und vielfältige Freizeitangebote. Hannover als Landeshauptstadt von Niedersachsen liegt nur eine kurze Autofahrt entfernt und bietet ebenfalls zahlreiche kulturelle Veranstaltungen, Einkaufsmöglichkeiten und Sehenswürdigkeiten. Außerdem liegen die Autobahnen A2 und A7 in unmittelbarer Nähe und auch mit dem Zug ist der Hauptbahnhof Hannover innerhalb von 9 Minuten zu erreichen.

Ausstattung

+ 4-Zimmer Wohnung
+ Tageslicht-Bad mit Dusche und Wanne
+ großer überdachter Balkon
+ Gas-Brennwert-Kombitherme aus 2010
+ Gemeinschaftsgarten
+ zusätzlicher Kellerraum
+ Optimale Verkehrsanbindung
+ Zentrale Lage

Keller Möbliert Rollstuhlgerecht Aufzug Seniorengerecht Balkon vorhanden Einbauküche

Sonstiges

Alle Angaben sind ohne Gewähr und basieren ausschließlich auf Informationen, die uns von unserem Auftraggeber übermittelt wurden. Wir übernehmen keine Gewähr für die Vollständigkeit, Richtigkeit und Aktualität dieser Angaben. Zwischenverkauf bleibt vorbehalten. Sollte das von uns nachgewiesene Objekt bereits bekannt sein, teilen Sie uns dieses bitte unverzüglich mit. Die Weitergabe dieses Exposees an Dritte ohne unsere Zustimmung löst gegebenenfalls Courtage- bzw. Schadensersatzansprüche aus Wir stehen Ihnen mit weiteren Informationen zum Objekt sowie für Besichtigungen gern zur Verfügung. Bitte nehmen Sie unsere Verbraucherinformationen und Allgemeine Geschäftsbedingungen, die wir Ihnen beiliegend zur Verfügung stellen, zur Kenntnis.

Sie überlegen Ihre Immobilie zu verkaufen? Wir stehen Ihnen gern für eine unverbindliche Wertermittlung zur Verfügung. Kontaktieren Sie uns jederzeit unter: anfragen@mig-maiss-immobilien.de

Wir freuen uns auf Ihre Nachricht!

Energieausweisangaben

A+
A
B
C
D
E
F
G
H
  • Enerigeausweistyp Verbrauchsausweis
  • Energiekennwert 111 KWh(m²*a)
  • Energieeffizienzklasse D
  • Energieausweis erstellt am 08.02.2019
  • Energieausweis gültig bis 28.06.2030
  • Heizungsart Etagenheizung
  • Befeuerung / Energieträger Gas

Grundrisse

Wie können wir Ihnen behilflich sein?

Herzlichen Dank für Ihre Anfrage.

Wir werden diese so schnell wie möglich bearbeiten.

Wie können wir Ihnen behilflich sein?
* Pflichtfeld